产品介绍
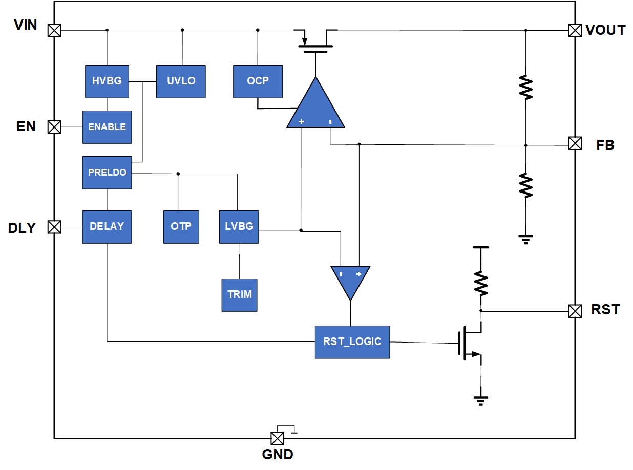
IM6L4x50 车规级高压LDO 500mA,40V LDO
IM6L4x50
车规级高压LDO
500mA,40V LDO
• 符合汽车应用的 AEC-Q100 Grade1 标准
• 内部结温: -40℃ ~ +150℃
• 工作电压范围:4.3V至40V
• 输出电压范围:
• 可调节输出:1.2V至18V
• 固定输出:3.3V和5V
• 最大输出电流: 500mA
• 低静态电流:
• 轻负载时典型值为17µA
• 禁能时典型值为3µA
• 具有电源正常状态指示功能(Power Good),支持延迟周期可编程
• 封装类型:
• 5引脚TO-252封装
• 带有散热焊盘的8引脚ESOP-8封装
规格参数
应用场景
-
可重新配置仪表组
-
车身控制模块(BCM)
-
常开型电池链接应用:汽车网关、远程免钥匙进入(RKE)
规格书下载


咨询报价

点击下载产品规格书(中文)

